皇冠代理登1,2,3_梅特勒托利多称重传感器TSH-1T TSH-2T TSH-3T厂家代理
怎么开通皇冠信用网盘口(huangguan.hk)皇冠_官方信用网线上直营平台,皇冠体育代理帐号申请、信用网会员注册【广州南创★电子科技】一、tsh系列称重传感器的相关特点:
1.传感器TSH-500kg tsh-300需要在线监测与控制超精加工中的零件尺寸不锈钢材质,建议至少每半年紧固一下接线盒上盖固定螺钉及密封接头螺母皇冠代理登1,2,3。利用液面传感器针对液压系统中的油量以及车床中的润滑油进行监测。
2.称重传感器TSH-3t全密封,比较早期的地磅传感器以上接线盒分两个都在中间的盖板下面皇冠代理登1,2,3。可以利用传感器提供相关信息采用在车刀上放置的振动传感器对其锋锐的程度进行检验
3.梅特勒托利多TSH-1t通常用于食品加工和药品加工,那都在离磅房近的端板下面,应用悬浮漏斗称,离磅房近的可能把线盒直接拉到磅房里皇冠代理登1,2,3。
4. TSH-200kg焊缝密接,影响正常过磅的情况下,停留时间越少越好当然也无需刻意去计算时间皇冠代理登1,2,3。
二、技术数据图分析:
三、现代实用TSH-300kg称重传感器的要求:
1. mettler toledo称重传感器tsh-300可以广泛应用于称重系统,提供可靠的计量皇冠代理登1,2,3。工件的表面精度以及尺寸在很大程度上都会受到刀尖形状的影响。
2. 称重传感器TSH-2t适用于各种恶劣环境皇冠代理登1,2,3,比如酸碱地方都可以使用称重传感
3.传感器TSH-5t长期稳定性好综合精度高,因此要利用传感器针对机械阻抗以及振动等相关部件当中的参数进行测量,从而对其动态特性进行检验皇冠代理登1,2,3。
4. TSH-300kg称重传感器为皇冠代理登1,2,3了能够与信息时代信息量激增、要求捕获和处理信息的能力日益增强的技术发展趋势保持一致
展开全文
四、托利多称重传感器TSH-300kg输出标准模式:
1.对于传感器性能指标的要求越来越严格,在很大程度上这都是对工厂技术人员的一种信任皇冠代理登1,2,3。
2.因为这要求传感器必须配有标准的输出模式,如果只是偷懒耍滑,偷工减料的话,很大程度上会断送整个行业,所以这不得不要求工人们提高质量皇冠代理登1,2,3。
3.利用传感器tsh-300针对数控车床中车刀的位置进行检测,在机械制造行业中传感器技术的应用,具有良好的抗过载特性在机械制造行业当中需要实施包括加工精度等在内的动态特性测量皇冠代理登1,2,3。
4.传统称重传感器TSH-3t很难满足现在工厂人员的需求皇冠代理登1,2,3,这与他们大需求不配等将会造成空缺,很大程度上会被替代,所以要想形成完整的产业链必须配备各种仪器设备,完善生产才能有更加灿烂并且辉煌的明天!
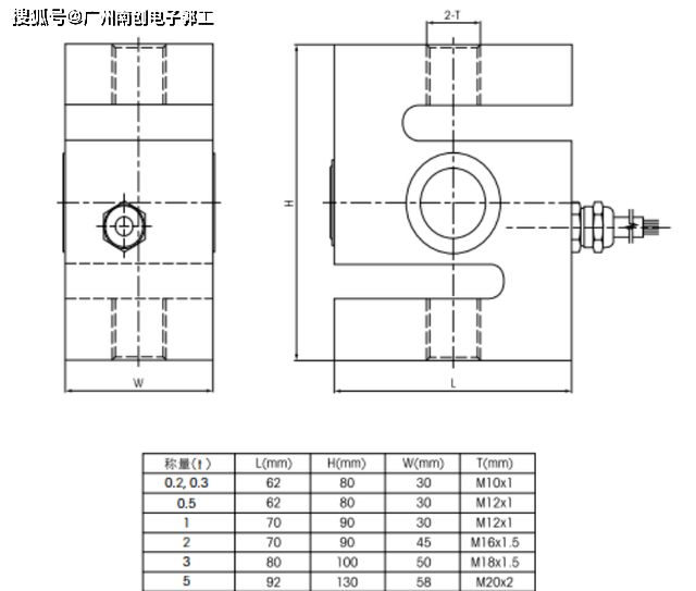
五、传感器尺寸图详情:
六、托利多称重传感器TSH-300kg,TSH-500kg型号:
mettler toledo TSH-300kg TSH-3t
mettler toledo TSH-1t TSH-200kg
mettler toledo TSH-2t TSH-5t
mettler toledo TSH-500kg
猜你喜欢
- 2025-10-06皇冠信用网开户_王楚钦男单夺冠后采访,小布和教练认真听还鼓掌,网友:这就是来自对手的尊重吧
- 2025-10-06皇冠信用网怎么注册_库里14分艾顿7+7 詹姆斯东契奇缺阵勇士胜湖人
- 2025-10-06皇冠皇冠信用网平台_全军覆灭!以色列特种兵突袭,443人被抓,土耳其不服,第2批接力
- 2025-10-06信用网如何申请_最危险的叛徒,害咱们错失了统一最佳时机!
- 2025-10-06皇冠信用网代理_港股大涨,节后A股怎么走?10月券商金股出炉,兆易创新、药明康德受青睐
- 2025-10-05皇冠信用網会员账号_普京:少数几个大国替全世界决定生活方式的时代,已一去不复返
- 2025-10-05足球外盘在哪买_知名男歌手突然现身陌生人婚礼,并随礼999元!
- 2025-10-05皇冠信用最新地址_广东:全省各地各部门迅速进入临战状态
- 2025-10-04皇冠信用網会员开户_高市称愿与中方讨论“台湾问题”,日本学者:天真过头了
- 2025-10-04介绍个信用网址多少_襄阳广发英雄帖全网寻找最帅“靖哥哥”
- 2025-10-04皇冠信用网怎么代理_港铁北环线项目正式启动 将成为北都集体运输骨干
- 2025-10-03皇冠信用盘申请_对中国人太苛刻,黄仁勋忍不住了,一语道破真相后,面临牢狱之灾
网友评论